Насос пневматический Graco HUSKY 716 пневмонасос двухмембранный (Масло)
Описание
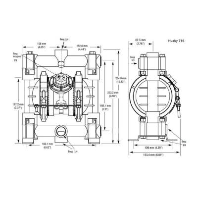
Насос Husky 716 Graco (Грако) - самый распространенный диафрагменный насос Graco.
Это классический насос в алюминиевом корпусе для перекачки нейтральных жидкостей разной степени вязкости, в том числе с содержанием твердых включений. Рабочие мембраны, а также шариковые обратные клапаны сделаны из каучука Buna-N (NBR). Насос подходит для перекачки воды, масел, некоторых растворителей, антифриза, моющих жидкостей.
Производительность насоса Husky 716 составляет от 0,3 до 3,1 м3/час (от 5 до 52 л/мин). Работа в режиме самовоса, а также перекачивание жидкости повышенной вязкости снижают производительность. Температура перекачиваемой жидкости должна быть в диапазоне от +4 до +82 °C. Давление сжатого воздуха на входе в насос должно быть от 2,1 до 7 бар.
Это классический насос в алюминиевом корпусе для перекачки нейтральных жидкостей разной степени вязкости, в том числе с содержанием твердых включений. Рабочие мембраны, а также шариковые обратные клапаны сделаны из каучука Buna-N (NBR). Насос подходит для перекачки воды, масел, некоторых растворителей, антифриза, моющих жидкостей.
Производительность насоса Husky 716 составляет от 0,3 до 3,1 м3/час (от 5 до 52 л/мин). Работа в режиме самовоса, а также перекачивание жидкости повышенной вязкости снижают производительность. Температура перекачиваемой жидкости должна быть в диапазоне от +4 до +82 °C. Давление сжатого воздуха на входе в насос должно быть от 2,1 до 7 бар.
Характеристики
|
Артикул
|
241906 |
|
Производит-ть (л/мин)
|
61 |
|
Рабочая среда:
|
Масло |
|
Способ установки:
|
стационарный |
|
Привод:
|
пневматический |
|
Давление подачи (атм)
|
7 |
|
Резьба вх/вых (дюйм)
|
3/4" - 3/4" |
|
Тип насоса:
|
мембранный |
|
Страна производства
|
США |
|
Габариты (мм)
|
220х150х270 |
|
Вес (кг)
|
8,2 |
Новости
Все новости
16 мая 2023
Обновление ассортимента
12 мая 2022
На сайт добавлено оборудование APAC
25 апреля 2022
На сайт добавлены ёмкости CEMO и Emiliana Serbatoi








































